Наши книги можно приобрести по карточкам єПідтримка!

Зміст

Вступ

Дії у надзвичайних ситуаціях

Щоденні перевірки та визначення несправностей

Експлуатація автомобіля у зимовий період

Поїздка на СТО

Інструкція з експлуатації та технічного обслуговування

Витратні матеріали для технічного обслуговування

Застереження та правила техніки безпеки під час виконання робіт на автомобілі

Основні інструменти, вимірювальні прилади та методи роботи з ними

  • Базовий комплект необхідних інструментів
  • Методи роботи із вимірювальними приладами

Механічна частина дизельних двигунів (D4HA/D4HB)

  • Загальна інформація
  • Перевірка компресії
  • Силовий агрегат у зборі
  • Привід навісного обладнання
  • Привід газорозподільного механізму
  • Головки блоків циліндрів
  • Блок циліндрів та шатунно-поршнева група
  • Сервісні дані та специфікація

Механічна частина бензинового двигуна 2.4 MPI (G4KE)

  • Загальна інформація
  • Перевірка компресії
  • Силовий агрегат у зборі
  • Привід навісного обладнання
  • Привід газорозподільного механізму
  • Головка блока циліндрів
  • Блок циліндрів та шатунно-поршнева група
  • Сервісні дані та специфікація

Механічна частина бензинового двигуна 2,4 GDI (G4KJ)

  • Загальна інформація
  • Перевірка компресії
  • Силовий агрегат у зборі
  • Привід навісного обладнання
  • Привід газорозподільного механізму
  • Головка блока циліндрів
  • Блок циліндрів та шатунно-поршнева група
  • Сервісні дані та специфікація

Механічна частина бензинового двигуна 3,5л

Система охолодження

Система змащення

Система живлення

Система керування двигуном

Системи впуску та випуску

Електрообладнання двигуна

Автоматична коробка передач

Роздавальна коробка та система повного приводу

Привідні вали та осі

  • Загальна інформація
  • Передні колісні маточини
  • Передні приводні вали
  • Карданний вал
  • Задні колісні маточини
  • Задні привідні вали
  • Сервісні дані та специфікація

Підвіска

  • Загальна інформація
  • Кути встановлення коліс
  • Передня підвіска
  • Задня підвіска
  • Система контролю тиску в шинах (TPMS)
  • Сервісні дані та специфікація

Гальмівна система

  • Загальна інформація
  • Основна гальмівна система
  • Стоянкова гальмівна система
  • Електронні гальмівні системи
  • Сервісні дані та специфікація

Рульове керування

Кузов

Пасивна безпека

  • Загальні відомості
  • Заміна компонентів після розкриття подушок безпеки
  • Блок керування та компоненти ініціалізації
  • Модулі подушок безпеки
  • Переднатягувачі ременів безпеки
  • Система активного підняття капота
  • Сервісні дані та специфікація

Система кондиціювання та обігрівач

  • Загальна інформація
  • Система вентиляції
  • Система кондиціювання
  • Обігрівач
  • Керування кондиціонером та обігрівачем
  • Сервісні дані та специфікація

Електросистеми та електросхеми

  • Звуковий сигнал
  • Аудіосистема
  • Склоочисники та омивачі
  • Блок керування кузовними електросистемами
  • Розташування компонентів в автомобілі
  • Електросхеми

Тлумачний словник

Тільки оригінальні посібники
Доступно відразу після оплати
Повна відповідність паперовим виданням
100% захист ваших оплат
(9)

Головки блоку циліндрів KIA Sorento Prime з 2018 року

Зазвичай користувачі нашого сайту знаходять цю сторінку за такими запитами:
бензиновий двигун Kia Sorento, регулювання клапанів Kia Sorento, не заводиться Kia Sorento

6. Головки блоку циліндрів

головки блоку циліндрів KIA Sorento Prime з 2018 року, головки блоку циліндрів Кіа Кіа Соренто Прайм з 2018 року

  1. Праваголовкаблокациліндрів.
  2. Прокладає праву головку блоку циліндрів.
  3. Ліваголовкаблокациліндрів.
  4. Прокладкалевоїголовкиблокациліндрів.
  5. Блок циліндрів.

головки блоку циліндрів KIA Sorento Prime з 2018 року, головки блоку циліндрів Кіа Кіа Соренто Прайм з 2018 року

  1. Кришки підшипників розподільних валів.
  2. Кришка завзятих підшипників розподільчих валів.
  3. Випускний розподільчий вал.
  4. Впускний розподільчий вал.
  5. Фазообертач випускного розподільчого валу.
  6. Фазообертач впускного розподільчого валу.
  7. Механічний штовхач клапана.
  8. Сухарі.
  9. Тарілка.
  10. Клапанна пружина.
  11. Маслознімний ковпачок.
  12. Клапан.
  13. Клапан подачі масла фаза обертач правого випускного розподільного валу.
  14. Клапан подачі масла фаза обертач правого впускного розподільного валу.
  15. Головкаблокациліндрів.
  16. Клапан подачі масла фазообертача лівого випускного розподільного валу.
  17. Клапан подачі масла фазообертачів лівого впускного розподільного валу.

Перевірка та регулювання зазорів у клапанах

Примітка:
Перевірку та регулювання зазорів у клапанах необхідно проводити на холодному двигуні (температура охолоджуючої рідини 20°С) і при встановленій на двигун головці блоку циліндрів.

1. Зняти декоративну кришку двигуна (див. розділ вище в цьому розділі).

2. Зняти захисний піддон моторного відсіку (див. розділ вище в цьому розділі).

3. Зняти впускний повітропровід (див. розділ 11 «Система впуску та випуску»).

4. Зняти акумуляторну батарею (див. розділ 12 «Електрообладнання двигуна»).

5. Зняти корпус повітряного фільтра (див. розділ 11 «Система впуску та випуску»).

6. Зняти повітряний ресивер (див. розділ 11 «Система впуску та випуску»).

7. Зняти кришку головки блоку циліндрів (див. розділ нижче).

8. Встановити поршень першого циліндра у положення верхньої мертвої точки (ВМТ) ходу стиснення:

  • Повернути шків колінчастого валу за годинниковою стрілкою, щоб поєднати його канавку з настановною міткою «Т» на кришці приводного ланцюга.

головки блоку циліндрів KIA Sorento Prime з 2018 року, головки блоку циліндрів Кіа Со Кіа Соренто Прайм з 2018 року

  • Переконатися, що мітки (А) зірочок розподільних валів збігаються з лінією роз'єму головки блоку циліндрів, як показано на малюнку. Якщо це не так, провернути колінчастий вал за годинниковою стрілкою на один оберт (360°).

головки блоку циліндрів KIA Sorento Prime з 2018 року, головки блоку циліндрів Кіа Со Кіа Соренто Прайм з 2018 року

головки блоку циліндрів KIA Sorento Prime з 2018 року, головки блоку циліндрів Кіа Кіа Соренто Прайм з 2018 року

Увага:
Не обертати колінчастий вал проти годинникової стрілки.

9. Перевірити зазори в клапанах:

  • Встановивши поршень першого циліндра у положення верхньої мертвої точки (ВМТ), перевірити зазори тільки у вказаних на наступному малюнку клапанах.

головки блоку циліндрів KIA Sorento Prime з 2018 року, головки блоку циліндрів Кіа Кіа Соренто Прайм з 2018 року

  • За допомогою набору плоских щупів виміряти зазор між штовхачем та основою кулачка розподільного валу. Записати значення зазорів клапанів, що не відповідають нормі. Це стане в нагоді пізніше для підбору штовхачів для регулювання зазору.

Примітка:
Температура охолоджуючої рідини двигуна повинна становити 20°С.

гранично допустимі значення клапанних зазорів:

  • Впуск: 0.17 ~ 0.23 мм.
  • Випуск: 0.27 ~ 0.33 мм.
  • Повернути шків колінчастого валу на один оборот за годинниковою стрілкою (360°) до суміщення канавки на ньому з настановною міткою «Т» на кришці приводного ланцюга.
  • Встановивши поршень четвертого циліндра у положення верхньої мертвої точки (ВМТ), перевірити зазори в клапанах, вказаних на наступному малюнку, як було описано вище.

головки блоку циліндрів KIA Sorento Prime з 2018 року, головки блоку циліндрів Кіа Соренто Прайм з 2018 року

10. Відрегулювати зазори у впускних та випускних клапанах:

  • Встановити поршень першого циліндра у положення верхньої мертвої точки (ВМТ) ходу стиснення.
  • Зняти ланцюг приводу газорозподільного механізму.

Примітка:
Перед зняттям ланцюга приводу газорозподільного механізму помітити ланки правого/лівого приводних ланцюгів щодо міток на зірочках, оскільки заводські настановні мітки на ланцюгах можуть стиратися.

головки блоку циліндрів KIA Sorento Prime з 2018 року, головки блоку циліндрів Кіа Кіа Соренто Прайм з 2018 року

головки блоку циліндрів KIA Sorento Prime з 2018 року, головки блоку циліндрів Кіа Кіа Соренто Прайм з 2018 року

головки блоку циліндрів KIA Sorento Prime з 2018 року, головки блоку циліндрів Кіа Кіа Соренто Прайм з 2018 року

головки блоку циліндрів KIA Sorento Prime з 2018 року, головки блоку циліндрів Кіа Кіа Соренто Прайм з 2018 року

  • Зняти клапан подачі оливи на фазообертачі лівого/правого випускних розподільчих валів (А).

головки блоку циліндрів KIA Sorento Prime з 2018 року, головки блоку циліндрів Кіа Кіа Соренто Прайм з 2018 року

головки блоку циліндрів KIA Sorento Prime з 2018 року, головки блоку циліндрів Кіа Кіа Соренто Прайм з 2018 року

  • Зняти кришки підшипників лівого/правого розподільних валів (А) та кришку завзятих підшипників (В).

головки блоку циліндрів KIA Sorento Prime з 2018 року, головки блоку циліндрів Кіа Со Кіа Соренто Прайм з 2018 року

головки блоку циліндрів KIA Sorento Prime з 2018 року, головки блоку циліндрів Кіа Кіа Соренто Прайм з 2018 року

  • Зняти розподільні вали (А) з головки блоку циліндрів.

головки блоку циліндрів KIA Sorento Prime з 2018 року, головки блоку циліндрів Кіа Кіа Соренто Прайм з 2018 року

головки блоку циліндрів KIA Sorento Prime з 2018 року, головки блоку циліндрів Кіа Соренто Прайм з 2018 року

  • Витягти штовхачі клапанів.
  • Виміряти товщину знятих штовхачів мікрометром.

головки блоку циліндрів KIA Sorento Prime з 2018 року, головки блоку циліндрів Кіа Кіа Соренто Прайм з 2018 року

  • Обчислити товщину нового штовхача клапана, щоб клапанний зазор відповідав нормі, за такими формулами:

Впуск: N = T + (A – 0.20 мм);

Випуск: N=T+ (A-0.30 мм),

де

T: товщина знятого штовхача клапана;

A: вимірюваний зазор у клапані;

N: товщина нового штовхача клапана.

  • Підібрати новий штовхач клапана завтовшки, найбільш наближеної до обчисленого значення.

Примітка:
Товкачі клапанів доступні в 41 розмірі від 3.00 до 3.60 мм із кроком 0.015 мм.

  • Помістити новий штовхач у головку блоку циліндрів.

Примітка:
Нанести моторне масло на підібраний штовхач з боків та зверху.

  • Встановити впускний та випускний розподільні вали.
  • Встановити кришки підшипників розподільних валів (див. розділ «Розподільні вали та фазообертачі» нижче в цьому розділі).
  • Встановити ланцюг приводу газорозподільного механізму (див. розділ вище).
  • Перевернути колінчастий вал на два обороти за напрямом робочого обертання (за годинниковою стрілкою), щоб знову поєднати настановні мітки на зірочках колінчастого та розподільчих валів (А).

головки блоку циліндрів KIA Sorento Prime з 2018 року, головки блоку циліндрів Кіа Кіа Соренто Прайм з 2018 року

головки блоку циліндрів KIA Sorento Prime з 2018 року, головки блоку циліндрів Кіа Кіа Соренто Прайм з 2018 року

  • Знову перевірити зазори в клапанах, як описано вище.

Кришки головок блоку циліндрів

головки блоку циліндрів KIA Sorento Prime з 2018 року, головки блоку циліндрів Кіа Соренто Прайм з 2018 року

  1. Кришка лівої головки блоку циліндрів.
  2. Прокладає кришку лівої головки блоку циліндрів.
  3. Кришка клапана подачі оливи на фазообертач лівого випускного розподільчого валу.
  4. Кришка правої головки блоку циліндрів.
  5. Прокладає праву кришку головки блоку циліндрів.
  6. Кришка клапана подачі оливи на фазообертач правого випускного розподільчого валу.

Примітка:
головки блоку циліндрів KIA Sorento Prime з 2018 року, головки блоку циліндрів Кіа Соренто Прай з 2018 року : замінювати деталь новою після кожного зняття.

: нанести герметик.

Зніміть кришку головки блоку циліндрів

Кришка лівої головки блоку циліндрів

1. Від'єднайте негативну «-» клему акумулятора.

 

2. Зняти декоративну кришку двигуна (див. розділ вище в цьому розділі).

3. Від'єднати роз'єми та тримачі джгута проводів, після чого зняти захист джгута проводів із кришки лівої головки блоку циліндрів.

головки блоку циліндрів KIA Sorento Prime з 2018 року, головки блоку циліндрів Кіа Соренто Прайм з 2018 року

4. Зняти котушки запалювання лівого ряду циліндрів (див. розділ 12 «Електрообладнання двигуна»).

5. Зняти кришку лівої головки блоку циліндрів:

  • Зняти кришку клапана подачі оливи на фазообертач лівого випускного розподільчого валу (А).

головки блоку циліндрів KIA Sorento Prime з 2018 року, головки блоку циліндрів Кіа Кіа Соренто Прайм з 2018 року

  • Зняти кришку лівої головки блоку циліндрів (В) із прокладкою.
Кришка правої головки блоку циліндрів

1. Зняти впускний повітрявод (див. розділ 11 «Система впуску та випуску»).

2. Зняти акумуляторну батарею (див. розділ 12 «Електрообладнання двигуна»).

3. Зняти декоративну кришку двигуна (див. відповідний розділ вище в цьому розділі).

4. Зняти корпус повітряного фільтра (див. розділ 11 «Система впуску та випуску»).

5. Від'єднати роз'єми та тримачі джгута проводів, після чого зняти захист джгута проводів із кришки правої головки блоку циліндрів.

головки блоку циліндрів KIA Sorento Prime з 2018 року, головки блоку циліндрів Кіа Кіа Соренто Прайм з 2018 року

головки блоку циліндрів KIA Sorento Prime з 2018 року, головки блоку циліндрів Кіа Соренто Прайм з 2018 року

6. Зняти впускний ресивер (див. розділ 11 «Система впуску та випуску»).

7. Зняти котушки запалювання лівого ряду циліндрів (див. розділ 12 «Електрообладнання двигуна»).

8. Зняти кришку правої головки блоку циліндрів:

  • Зняти кришку клапана подачі оливи на фазообертач правого випускного розподільчого валу (А).

головки блоку циліндрів KIA Sorento Prime з 2018 року, головки блоку циліндрів Кіа Соренто Прайм з 2018 року

  • Зняти кришку правої головки блоку циліндрів (В) із прокладкою.

Встановлення кришки головки блоку циліндрів

Кришка лівої головки блоку циліндрів

Примітка:
Встановлювати кришку головки блоку циліндрів при знятій кришці клапана подачі оливи на фазообертач випускного розподільчого валу. Щоб уникнути витоку моторного масла, кришка клапана подачі масла повинна встановлюватися після встановлення кришки головки блоку циліндрів.

Увага:
Не використовувати повторно прокладку кришки головки блоку циліндрів.

1. Затверділий герметик, розташований на верхній частині між кришкою приводного ланцюга та головкою блоку циліндрів, необхідно видалити перед встановленням кришки головки блоку циліндрів.

2. Нанестивалик герметика діаметром 2,5 ммTHREEBOND 1217H (HyundaiGrayRTV), як показано на малюнку, після чого протягом п'яти хвилин встановити кришку головки блоку циліндрів.

головки блоку циліндрів KIA Sorento Prime з 2018 року, головки блоку циліндрів Кіа Кіа Соренто Прайм з 2018 року

3. Не запускайте двигун і не перевіряйте тиск протягом 30 хвилин після встановлення кришки головки блоку циліндрів.

4. Встановити болти кришки головки блоку циліндрів та затягнути за кілька підходів у вказаній на малюнку послідовності.

головки блоку циліндрів KIA Sorento Prime з 2018 року, головки блоку циліндрів Кіа Кіа Соренто Прайм з 2018 року

Примітка:
Момент затягування:
Перший підхід: 4.9 ~ 5.9Н·м.
Другий підхід: 9.8 ~ 11.8Нм.

5. Встановити кришку клапана подачі оливи на фазообертач випускного розподільчого валу (А).

головки блока циліндрів KIA Sorento Prime з 2018 року, головки блоку циліндрів Кіа Соренто Прайм з 2018 року

Примітка:
Момент затягування: 9.8 ~ 11.8 Н·м.

6. Встановити решту компонентів у порядку, зворотному зняття.

Кришка правої головки блоку циліндрів

Примітка:
Встановлювати кришку головки блоку циліндрів при знятій кришці клапана подачі оливи на фазообертач випускного розподільчого валу. Щоб уникнути витоку моторного масла, кришка клапана подачі масла повинна встановлюватися після встановлення кришки головки блоку циліндрів.

Увага:
Не використовувати повторно прокладку кришки головки блоку циліндрів.

1. Затверділий герметик, розташований на верхній частині між кришкою приводного ланцюга та головкою блоку циліндрів, необхідно видалити перед встановленням кришки головки блоку циліндрів.

2. Нанестивалик герметика діаметром 2,5 ммTHREEBOND 1217H (HyundaiGrayRTV), як показано на малюнку, після чого протягом п'яти хвилин встановити кришку головки блоку циліндрів.

головки блоку циліндрів KIA Sorento Prime з 2018 року, головки блоку циліндрів Кіа Со Кіа Соренто Прайм з 2018 року

3. Не запускайте двигун і не перевіряйте тиск протягом 30 хвилин після встановлення кришки головки блоку циліндрів.

4. Встановити болти кришки головки блоку циліндрів та затягнути за кілька підходів у вказаній на малюнку послідовності.

головки блоку циліндрів KIA Sorento Prime з 2018 року, головки блоку циліндрів Кіа Кіа Соренто Прайм з 2018 року

Примітка:
Момент затягування:
Перший підхід: 4.9 ~ 5.9 Н·м.
Другий підхід: 9.8 ~ 11.8 Н·м.

5. Встановити кришку клапана подачі оливи на фазообертач випускного розподільчого валу (А).

головки блоку циліндрів KIA Sorento Prime з 2018 року, головки блоку циліндрів Кіа Кіа Соренто Прайм з 2018 року

Примітка:
Момент затягування: 9.8 ~ 11.8 Н·м.

6. Встановити решту компонентів у порядку, зворотному зняття.

Розподільчі вали та фазообертачі

головки блоку циліндрів KIA Sorento Prime з 2018 року, головки блоку циліндрів Кіа Кіа Соренто Прайм з 2018 року

  1. Правий випускний розподільчий вал.
  2. Правий впускний розподільний вал.
  3. Лівий впускний розподільний вал.
  4. Лівий випускний розподільчий вал.

Примітка:
головки блоку циліндрів KIA Sorento Prime з 2018 року, головки блоку циліндрів Кіа Соренто Прай з 2018 року: нанести масло.

головки блоку циліндрів KIA Sorento Prime з 2018 року, головки блоку циліндрів Кіа Кіа Соренто Прайм з 2018 року

  1. Фазообертач правого випускного розподільчого валу.
  2. Фазообертач правого впускного розподільчого валу.
  3. Фазообертач лівого впускного розподільчого валу.
  4. Фазообертач лівого випускного розподільчого валу.

Зняття розподільчих валів та фазообертачів

Фазообертачі

1. Зняти ланцюг приводу газорозподільного механізму (див. відповідний розділ вище в цьому розділі).

2. Відвернути болти кріплення та зняти фазообертачі.

головки блоку циліндрів KIA Sorento Prime з 2018 року, головки блоку циліндрів Кіа Кіа Соренто Прайм з 2018 року

А. Фазообертач лівого випускного розподільчого валу.

В. Фазообертач лівого впускного розподільчого валу.

головки блоку циліндрів KIA Sorento Prime з 2018 року, головки блоку циліндрів Кіа Кіа Соренто Прайм з 2018 року

С. Фазообертач правого впускного розподільчого валу.

D. Фазообертач правого випускного розподільчого валу.

Примітка:
При відвертанні болта кріплення фазообертача утримувати розподільний вал від провертання гайковим ключем за шестигранну частину (А).

головки блоку циліндрів KIA Sorento Prime з 2018 року, головки блоку циліндрів Кіа Со Кіа Соренто Прайм з 2018 року

Впускний та випускний розподільні вали лівого ряду циліндрів

1. Зняти ланцюг приводу газорозподільного механізму (див. відповідний розділ вище в цьому розділі).

2. Зняти клапан подачі масла на фазообертач лівого випускного розподільчого валу (А).

головки блоку циліндрів KIA Sorento Prime з 2018 року, головки блоку циліндрів Кіа Со Кіа Соренто Прайм з 2018 року

3. Зняти кришки підшипників розподільних валів (А) та кришку завзятих підшипників (В).

головки блоку циліндрів KIA Sorento Prime з 2018 року, головки блоку циліндрів Кіа Со Кіа Соренто Прайм з 2018 року

4. Зняти розподільні вали з лівої головки блоку циліндрів (А).

головки блоку циліндрів KIA Sorento Prime з 2018 року, головки блоку циліндрів Кіа Кіа Соренто Прайм з 2018 року

Впускний та випускний розподільні вали правого ряду циліндрів

1. Зняти ланцюг приводу газорозподільного механізму (див. відповідний розділ вище в цьому розділі).

2. Зняти клапан подачі масла на фазообертач лівого випускного розподільчого валу (А).

головки блоку циліндрів KIA Sorento Prime з 2018 року, головки блоку циліндрів Кіа Кіа Соренто Прайм з 2018 року

3. Зняти кришки підшипників розподільних валів (А) та кришку завзятих підшипників (В).

головки блоку циліндрів KIA Sorento Prime з 2018 року, головки блоку циліндрів Кіа Кіа Соренто Прайм з 2018 року

4. Зняти розподільні вали з правої головки блоку циліндрів (А).

головки блоку циліндрів KIA Sorento Prime з 2018 року, головки блоку циліндрів Кіа Со Кіа Соренто Прайм з 2018 року

Перевірка стану

Фазообертачі

1. Перевірити плавність обертання фазообертачів:

  • Затиснути розподільний вал у лещатах. Будьте обережні, щоб не пошкодити кулачки і опорні шийки розподільних валів тисками.
  • Переконатися в тому, що фазообертач заблокований, обертаючи його по або проти годинникової стрілки. Фазообертач не повинен обертатися.
  • Закрити один із двох отворів на шийці розподільного валу за допомогою ізоленти.

головки блока циліндрів KIA Sorento Prime з 2018 року, головки блоку циліндрів Кіа Соренто Прайм з 2018 року

Фазообертач впускного розподільчого валу

головки блоку циліндрів KIA Sorento Prime з 2018 року, головки блоку циліндрів Кіа Со Кіа Соренто Прайм з 2018 року

Фазообертач випускного розподільчого валу

  • Обмотавши кінець повітряного пістолета ізолентою, подати приблизно 150 кПа (1,5 кгс/см²) стисненого повітря у відкритий отвір запізнення, щоб звільнити блокування.

Примітка:
З метою запобігання розбризкуванню оливи слід прикрити масляні канали ганчіркою. Видалити всі масляні бризки після перевірки.

  • Під час подачі повітря повертати фазообертач у напрямку випередження (за стрілкою на малюнку) рукою. Залежно від тиску повітря фазообертач перевернеться у напрямку випередження без докладання зусилля руки.

Примітка:
Діапазон обертання:
- Випуск: 22,5°±1° (з крайнього положення випередження до крайнього положення запізнення).

головки блоку циліндрів KIA Sorento Prime з 2018 року, головки блоку циліндрів Кіа Со Кіа Соренто Прайм з 2018 року

  • У будь-якому положенні, крім крайнього, в якому штифт блокується на максимальному куті запізнення, провернути фазообертач вперед і назад, щоб перевірити діапазон і плавність обертання.

Примітка:
Нормальний діапазон переміщення становить приблизно 30° до блокування штифта.

  • Провертаючи фазообертач рукою за годинниковою стрілкою, заблокувати його в положенні максимального кута запізнення.

Розподільні вали

1. Мікрометр виміряти висоту кулачків розподільного валу. Якщо висота кулачка менша за норму, замінити розподільний вал.

головки блоку циліндрів KIA Sorento Prime з 2018 року, головки блоку циліндрів Кіа Кіа Соренто Прайм з 2018 року

Примітка:
Стандартна висота кулачків розподільчих валів:
Впуск: 47.2 мм.
Випуск: 45.8 мм.

2. Перевірити зазор у підшипниках розподільчого валу.

  • Очистити кришки підшипників та опорні шийки розподільчого валу.
  • Розмістити розподільний вал у головку блоку циліндрів.
  • Помістити відрізок круглого калібру Plastigage вздовж кожної опорної шийки розподільчого валу.

головки блоку циліндрів KIA Sorento Prime з 2018 року, головки блоку циліндрів Кіа Кіа Соренто Прайм з 2018 року

  • Встановити кришки корінних підшипників (А) та кришку завзятих підшипників (В) та затягнути болти встановленим моментом затягування у вказаній на малюнку послідовності.

головки блоку циліндрів KIA Sorento Prime з 2018 року, головки блоку циліндрів Кіа Со Кіа Соренто Прайм з 2018 року

головки блоку циліндрів KIA Sorento Prime з 2018 року, головки блоку циліндрів Кіа Кіа Соренто Прайм з 2018 року

Примітка:
Момент затягування:
Перший підхід: 5.8Н·м.
Другий підхід: 9.8 ~ 11.8Нм.

Увага:
Не провертати розподільний вал.

  • Зняти кришки підшипників.
  • Виміряти ширину круглого калібру в найбільш розплющеній частині шкалою на упаковці. Якщо зазор перевищує норму, замінити розподільний вал на новий. Якщо необхідно, замініть кришки підшипників і головку блоку циліндрів одним комплектом.

головки блоку циліндрів KIA Sorento Prime з 2018 року, головки блоку циліндрів Кіа Кіа Соренто Прайм з 2018 року

Примітка:
Зазор у підшипниках розподільчих валів:
Впуск:
Шийка №1: 0.020 ~ 0.057 мм.
Шийки №№ 2, 3, 4: 0.030 ~ 0.067 мм.
Випуск:
Шийка №1: 0.027 ~ 0.057 мм.
Шийки №№ 2, 3, 4, 5: 0.030 ~ 0.067 мм.
Повністю видалити залишки круглого калібру Plastigage.
Витягти розподільні вали з головки блоку циліндрів.

3. Перевірити осьовий люфт розподільчого валу:

  • Встановити розподільні вали в головку блоку циліндрів.
  • Встановити кришки корінних підшипників (А) та кришку завзятих підшипників (В) та затягнути болти встановленим моментом затягування у вказаній на малюнку послідовності.

головки блоку циліндрів KIA Sorento Prime з 2018 року, головки блоку циліндрів Кіа Соренто Прайм з 2018 року

головки блоку циліндрів KIA Sorento Prime з 2018 року, головки блоку циліндрів Кіа Кіа Соренто Прайм з 2018 року

Момент затягування:

  • Перший підхід: 5.8 Нм.
  • Другий підхід: 9.8 ~ 11.8 Нм.
  • Використовуючи індикатор годинного типу, виміряти осьовий люфт, переміщуючи розподільний вал вперед та назад. Якщо осьовий зазор перевищує норму, замінити розподільний вал на новий. Якщо необхідно, замініть кришки підшипників і головку блоку циліндрів на новий комплект.

головки блоку циліндрів KIA Sorento Prime з 2018 року, головки блоку циліндрів Кіа Кіа Соренто Прайм з 2018 року

головки блоку циліндрів KIA Sorento Prime з 2018 року, головки блоку циліндрів Кіа Соренто Прайм з 2018 року

Примітка:
Стандартний осьовий зазор: 0.02 ~ 0.18 мм.

  • Зняти розподільні вали.

Встановлення розподільчих валів та фазообертачів

Фазообертачі

1. Затиснути розподільний вал у лещатах за шестигранну частину, після чого встановити фазообертач і затягнути болт кріплення необхідним моментом затягування.

головки блоку циліндрів KIA Sorento Prime з 2018 року, головки блоку циліндрів Кіа Кіа Соренто Прайм з 2018 року

Примітка:
Момент затяжки: 64.7 ~ 76.5Н·м.
- Помістити настановний штифт фазообертача у впускний порт розподільного валу. Звернути увагу на те, щоб не переплутати впускний порт з масляним отвором розподільного валу.
- Не провертати фазер після його встановлення на розподільчий вал.

головки блоку циліндрів KIA Sorento Prime з 2018 року, головки блоку циліндрів Кіа Кіа Соренто Прайм з 2018 року

А. Фазообертач лівого випускного розподільчого валу.

В. Фазообертач лівого впускного розподільчого валу.

головки блоку циліндрів KIA Sorento Prime з 2018 року, головки блоку циліндрів Кіа Кіа Соренто Прайм з 2018 року

С. Фазообертач правого впускного розподільчого валу.

D. Фазообертач правого випускного розподільчого валу.

2. Встановити ланцюг приводу газорозподільного механізму (див. розділ вище).

Ідентифікація розподільних валів

головки блоку циліндрів KIA Sorento Prime з 2018 року, головки блоку циліндрів Кіа Кіа Соренто Прайм з 2018 року

Впускний розподільчий вал

Для ідентифікації розподільних валів використовуватимуться наступна таблиця.

  Зовнішній діаметр
Лівий Правий
Впускний розподільчий вал А: 30 мм А: 30 мм
У: 27 мм У: 27 мм
З: 30 мм З: 30 мм
D: 27 мм D: 30мм
Е: 27 мм Е: 30мм

головки блока циліндрів KIA Sorento Prime з 2018 року, головки блоку циліндрів Кіа Соренто Прайм з 2018 року

Випускний розподільний вал

Для ідентифікації розподільних валів використовуватимуться наступна таблиця.

  Зовнішній діаметр
Лівий Правий
Випускний розподільчий вал А: 27 мм А: 27 мм
У: 27 мм У: 27 мм
З: 30 мм З: 30 мм
D: 27 мм D: 30мм

Встановлення впускного та випускного розподільних валів лівого ряду циліндрів

Примітка:
- Визначити приналежність розподільчих валів перед установкою (правий/лівий ряд циліндрів, впуск/випуск).
- Помістити канавку під шпонку із задньої сторони розподільчого валу на рівні лінії роз'єму головки блоку циліндрів.
- Нанести тонкий шар моторного масла на шийки розподільчих валів.

1. Встановити розподільні вали лівого ряду циліндрів (А) у головку блоку циліндрів.

головки блоку циліндрів KIA Sorento Prime з 2018 року, головки блоку циліндрів Кіа Кіа Соренто Прайм з 2018 року

2. Встановити кришки корінних підшипників (А) та кришку упорних підшипників (В) та затягнути болти встановленим моментом затягування у вказаній на малюнку послідовності.

головки блоку циліндрів KIA Sorento Prime з 2018 року, головки блоку циліндрів Кіа Кіа Соренто Прайм з 2018 року

Момент затягування:

  • Перший підхід: 5.8 Нм.
  • Другий підхід: 9.8 ~ 11.8 Нм.

Слідкувати за тим, щоб болти кришок корінних та завзятих підшипників розподільчих валів були встановлені на свої місця.

Звертати увагу на теги положення кришок підшипників.

головки блоку циліндрів KIA Sorento Prime з 2018 року, головки блоку циліндрів Кіа Кіа Соренто Прайм з 2018 року

А. L (лівий ряд), R (правий ряд).

Ст I (впуск), E (випуск).

С. Номер шийки.

D. Мітка передньої сторони.

Увага:
Щоб уникнути контакту клапанів з поршнями, опустити поршні на 10 мм нижче верхнього краю блоку циліндрів.

3. Встановити клапан подачі оливи на лівий випускний розподільчий вал (А).

головки блоку циліндрів KIA Sorento Prime з 2018 року, головки блоку циліндрів Кіа Кіа Соренто Прайм з 2018 року

Примітка:
Момент затягування: 9.8 ~ 11.8 Н·м.

4. Встановити ланцюг приводу газорозподільного механізму (див. відповідний розділ вище в цьому розділі).

Встановлення впускного та випускного розподільних валів правого ряду циліндрів

Примітка:
- Визначити приналежність розподільчих валів перед установкою (правий/лівий ряд циліндрів, впуск/випуск).
- Помістити канавку під шпонку із задньої сторони розподільчого валу на рівні лінії роз'єму головки блоку циліндрів.
- Нанести тонкий шар моторного масла на шийки розподільчих валів.

1. Встановити розподільні вали правого ряду циліндрів (А) у головку блоку циліндрів.

головки блоку циліндрів KIA Sorento Prime з 2018 року, головки блоку циліндрів Кіа Кіа Соренто Прайм з 2018 року

2. Встановити кришки корінних підшипників (А) та кришку упорних підшипників (В) та затягнути болти встановленим моментом затягування у вказаній на малюнку послідовності.

головки блоку циліндрів KIA Sorento Prime з 2018 року, головки блоку циліндрів Кіа Со Кіа Соренто Прайм з 2018 року

Момент затягування:

  • Перший підхід: 5.8 Нм.
  • Другий підхід: 9.8 ~ 11.8 Нм.

Слідкувати за тим, щоб болти кришок корінних та завзятих підшипників розподільчих валів були встановлені на свої місця.

Звертати увагу на теги положення кришок підшипників.

головки блоку циліндрів KIA Sorento Prime з 2018 року, головки блоку циліндрів Кіа Кіа Соренто Прайм з 2018 року

А. L (лівий ряд), R (правий ряд).

Ст I (впуск), E (випуск).

С. Номер шийки.

D. Мітка передньої сторони.

Увага:
Щоб уникнути контакту клапанів з поршнями, опустити поршні на 10 мм нижче верхнього краю блоку циліндрів.

3. Встановити клапан подачі оливи на правий випускний розподільчий вал (А).

головки блока циліндрів KIA Sorento Prime з 2018 року, головки блоку циліндрів Кіа Соренто Прайм з 2018 року

Примітка:
Момент затягування: 9.8 ~ 11.8 Н·м.

4. Встановити ланцюг приводу газорозподільного механізму (див. відповідний розділ вище в цьому розділі).

Головки блоку циліндрів

Знімання головок блоку циліндрів

Примітка:
- Щоб уникнути пошкодження пофарбованих поверхонь, використовувати захисні покриття.
- Щоб уникнути пошкоджень головки блоку циліндрів, перш ніж знімати її з двигуна, почекати, поки рідина, що охолоджує, охолоне до кімнатної температури.
- При поводженні з металевою прокладкою слідкувати за тим, щоб не згинати її та не пошкодити її контактні поверхні.
- Щоб уникнути пошкоджень, від'єднувати роз'єми проводів обережно, тримаючись рукою за корпус роз'єму.
- Провернути шків колінчастого валу так, щоб встановити поршень першого циліндра в положення верхньої мертвої точки (ВМТ) ходу стиснення.
- Помічати всі дроти та шланги, щоб уникнути помилок при повторному підключенні.

Ліва головка блоку циліндрів

1. Зняти впускний повітрявод (див. розділ 11 «Система впуску і випуску двигуна»).

2. Зняти акумуляторну батарею (див. розділ 12 «Електрообладнання двигуна»).

3. Зняти декоративну кришку двигуна (див. відповідний розділ вище в цьому розділі).

4. Зняти корпус повітряного фільтра (див. розділ 11 «Система впуску та випуску двигуна»).

5. Зняти захисний піддон моторного відсіку (див. розділ вище в цьому розділі).

6. Злити рідину, що охолоджує, з двигуна (див. розділ 7 «Система охолодження»).

7. Від'єднати верхній (А) та нижній (В) шланги радіатора.

головки блоку циліндрів KIA Sorento Prime з 2018 року, головки блоку циліндрів Кіа Кіа Соренто Прайм з 2018 року

8. Від'єднати роз'єми та тримачі джгута проводів, після чого зняти захист джгута проводів з лівої головки блоку циліндрів та впускного ресівера.

головки блоку циліндрів KIA Sorento Prime з 2018 року, головки блоку циліндрів Кіа Кіа Соренто Прайм з 2018 року

9. Зняти впускний ресивер (див. розділ 11 «Система впуску та випуску»).

10. Зняти впускний колектор (див. розділ 11 «Система впуску та випуску»).

11. Зняти лівий випускний колектор (див. розділ 11 «Система впуску та випуску»).

12. Зняти генератор (див. розділ 12 «Електрообладнання двигуна»).

13. Зняти кришку лівої головки блоку циліндрів (див. відповідний розділ вище).

14. Зняти ланцюг приводу газорозподільного механізму (див. відповідний розділ вище).

15. Зняти блок контролю температури охолоджувальної рідини (див. розділ 7 «Система охолодження»).

16. Зняти розподільні вали лівої головки блока циліндрів (див. відповідний розділ вище).

17. Зняти ліву головку блоку циліндрів:

  • Поступово послабити і повністю викрутити болти головки блоку циліндрів за кілька підходів у вказаній на малюнку послідовності.

головки блока циліндрів KIA Sorento Prime з 2018 року, головки блоку циліндрів Кіа Соренто Прайм з 2018 року

Увага:
У разі відвертання болтів у неправильній послідовності головка блоку циліндрів може деформуватися або тріснути.

  • Підняти головку блоку циліндрів із настановних штифтів на блоці циліндрів і помістити головку блоку на дерев'яні бруски на верстаті.

головки блоку циліндрів KIA Sorento Prime з 2018 року, головки блоку циліндрів Кіа Кіа Соренто Прайм з 2018 року

Увага:
Будьте обережні, щоб не пошкодити контактні поверхні блоку циліндрів і головки блоку.

  • Зняти прокладку головки блоку циліндрів.

головки блоку циліндрів KIA Sorento Prime з 2018 року, головки блоку циліндрів Кіа Соренто Прайм з 2018 року

Права головка блоку циліндрів

1. Зняти впускний повітропровід (див. розділ 11 «Система впуску та випуску двигуна»).

2. Зняти акумуляторну батарею (див. розділ 12 «Електрообладнання двигуна»).

3. Зняти декоративну кришку двигуна (див. розділ вище в цьому розділі).

4. Зняти корпус повітряного фільтра (див. розділ 11 «Система впуску та випуску двигуна»).

5. Зняти захисний піддон моторного відсіку (див. розділ вище в цьому розділі).

6. Злити рідину, що охолоджує, з двигуна (див. розділ 7 «Система охолодження»).

7. Від'єднати верхній (А) та нижній (В) шланги радіатора.

головки блоку циліндрів KIA Sorento Prime з 2018 року, головки блоку циліндрів Кіа Кіа Соренто Прайм з 2018 року

8. Від'єднати роз'єми та тримачі джгута проводів, після чого зняти захист джгута проводів із правої головки блоку циліндрів та впускного ресівера.

головки блоку циліндрів KIA Sorento Prime з 2018 року, головки блоку циліндрів Кіа Кіа Соренто Прайм з 2018 року

9. Зняти впускний ресивер (див. розділ 11 «Система впуску та випуску»).

10. Зняти впускний колектор (див. розділ 11 «Система впуску та випуску»).

11. Зняти правий колектор (див. розділ 11 «Система впуску та випуску»).

12. Зняти генератор (див. розділ 12 «Електрообладнання двигуна»).

13. Зняти кришку правої головки блоку циліндрів (див. відповідний розділ вище).

14. Зняти ланцюг приводу газорозподільного механізму (див. відповідний розділ вище).

15. Зняти блок контролю температури охолоджувальної рідини (див. розділ 7 «Система охолодження»).

16. Зняти розподільні вали правої головки блоку циліндрів (див. розділ вище).

17. Зняти праву головку блоку циліндрів:

  • Відвернути задній болт правої головки блоку циліндрів (А).

головки блоку циліндрів KIA Sorento Prime з 2018 року, головки блоку циліндрів Кіа Кіа Соренто Прайм з 2018 року

  • Поступово послабити і повністю викрутити болти головки блоку циліндрів за кілька підходів у вказаній на малюнку послідовності.

головки блоку циліндрів KIA Sorento Prime з 2018 року, головки блоку циліндрів Кіа Кіа Соренто Прайм з 2018 року

Увага:
У разі відвертання болтів у неправильній послідовності головка блоку циліндрів може деформуватися або тріснути.

  • Підняти головку блоку циліндрів із настановних штифтів на блоці циліндрів і помістити головку блоку на дерев'яні бруски на верстаті.

головки блоку циліндрів KIA Sorento Prime з 2018 року, головки блоку циліндрів Кіа Со Кіа Соренто Прайм з 2018 року

Увага:
Будьте обережні, щоб не пошкодити контактні поверхні блоку циліндрів і головки блоку.

  • Зняти прокладку головки блоку циліндрів.

головки блоку циліндрів KIA Sorento Prime з 2018 року, головки блоку циліндрів Кіа Кіа Соренто Прайм з 2018 року

Розбирає головку блоку циліндрів

Примітка:
Розташовувати штовхачі клапанів, клапани та клапанні пружини в порядку зняття для встановлення їх на свої місця в подальшому.

1. Зняти штовхачі клапанів (А).

головки блоку циліндрів KIA Sorento Prime з 2018 року, головки блоку циліндрів Кіа Кіа Соренто Прайм з 2018 року

2. Зняти клапани:

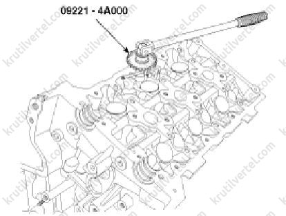
  • Використовуючи спеціальний пристрій (09222-3K000, 09222-3K100), стиснути пружину клапана і за допомогою магніта витягнути сухарі.

головки блоку циліндрів KIA Sorento Prime з 2018 року, головки блоку циліндрів Кіа Соренто Прайм з 2018 року

  • Зняти тарілку клапана.
  • Зняти клапанну пружину.
  • Вийняти клапан.
  • За допомогою спеціального інструменту (09222-29000) зняти ковпачок з маслом.

головки блока циліндрів KIA Sorento Prime з 2018 року, головки блоку циліндрів Кіа Соренто Прайм з 2018 року

Увага:
Не використовувати маслознімні ковпачки повторно після зняття.

3. Зняти клапан подачі оливи на фазообертач впускного розподільчого валу (А).

головки блоку циліндрів KIA Sorento Prime з 2018 року, головки блоку циліндрів Кіа Со Кіа Соренто Прайм з 2018 року

Перевірка стану

Головка блоку циліндрів

1. Використовуючи повірочну лінійку та набір плоских щупів, виміряти величину короблення поверхонь контакту головки блоку циліндрів із блоком циліндрів та колекторами.

головки блоку циліндрів KIA Sorento Prime з 2018 року, головки блоку циліндрів Кіа Со Кіа Соренто Прайм з 2018 року

Примітка:
Неплощинність поверхні установки прокладки головки блоку циліндрів:
По всій області: не більше 0.05 мм.
На ділянці 150×150 мм: не більше 0.02 мм. Неплощинність поверхонь установки колекторів (на ділянці 110 мм): не більше 0.03 мм.

2. Перевірити камери згоряння, впускні та випускні порти, а також поверхні головки блоку циліндрів на наявність тріщин. У разі виявлення замінити головку блоку циліндрів.

Клапани та клапанні пружини

1. Перевірити стрижні та напрямні втулки клапанів:

  • За допомогою мікрометричного нутроміра виміряти внутрішній діаметр напрямної втулки клапана.

головки блоку циліндрів KIA Sorento Prime з 2018 року, головки блоку циліндрів Кіа Кіа Соренто Прайм з 2018 року

Примітка:
Внутрішній діаметр напрямної втулки клапана: 5.500 ~ 5.512 мм.

  • Мікрометр виміряти зовнішній діаметр стрижня клапана.

головки блоку циліндрів KIA Sorento Prime з 2018 року, головки блоку циліндрів Кіа Кіа Соренто Прайм з 2018 року

Примітка:
Зовнішній діаметр стрижня клапана:
Впуск: 5.465 ~ 5.480 мм.
Випуск: 5.458 ~ 5.470 мм.
Відняти значення внутрішнього діаметра напрямної втулки клапана значення зовнішнього діаметра стрижня клапана. Якщо отримане значення зазору перевищує норму, замініть клапани або головку блоку циліндрів.

Примітка:
Зазор між стрижнем і напрямною втулкою клапана:
Стандартний:
Впуск: 0.020 ~ 0.047 мм.
Випуск: 0.030 ~ 0.054 мм.
Гранично допустимий:
Впуск: 0.070 мм.
Випуск: 0.090 мм.

2. Перевірити стан клапанів:

  • Переконайтеся, що головка клапана має належний кут фаски.
  • Перевірити поверхні клапана щодо зносу. Якщо клапан зношений, замініть його на новий.
  • Перевірити ширину паска головки клапана. Якщо розмір поясу не відповідає нормі, замініть клапан.

головки блоку циліндрів KIA Sorento Prime з 2018 року, головки блоку циліндрів Кіа Кіа Соренто Прайм з 2018 року

Примітка:
Ширина пояска:
Впуск: 1.56~1.86 мм.
Випуск (версія для етильованого палива): 1.93~2.23мм.
Випуск (версія для неетильованого палива): 1.73~2.03мм.
Виміряти довжину клапана.

Примітка:
Довжина клапана:
Впуск: 105.27 мм.
Випуск (версія для етилованого палива): 105.70 мм.
Випуск (версія для неетильованого палива): 105.50 мм.
Перевірити поверхню торця стрижня клапана щодо зносу. Якщо стрижень клапана зношений, замініть клапан.

3. Перевірити сідла клапанів:

  • Перевірити сідла клапанів на наявність ознак перегріву або контакту з поверхнею клапана. Якщо сідло зношене, замініть головку блоку циліндрів.
  • Перед притиранням сідел клапанів перевірити напрямні втулки клапанів щодо зносу. Якщо напрямні втулки зношені, замініть головку блоку циліндрів.
  • Виконати притирання сідел клапанів за допомогою спеціальної розгортки. Ширина поверхні контакту клапана з сідлом повинна відповідати специфікації, а сама контактна поверхня повинна розташовуватися в центрі сідла клапана.

4. Перевірити клапанні пружини:

  • За допомогою сталевого косинця виміряти відхилення клапанної пружини від перпендикулярності.
  • Штангенциркулем виміряти довжину (висоти) клапанної пружини у вільному стані. Якщо отримане значення не відповідає нормі, замінити клапанну пружину на нову.

головки блоку циліндрів KIA Sorento Prime з 2018 року, головки блоку циліндрів Кіа Кіа Соренто Прайм з 2018 року

Примітка:
Висота у вільному стані: 45.5 мм.

  • Відхилення від перпендикулярності: не більше 1,5 °.
Штурхачі клапанів

1. Мікрометр виміряти зовнішній діаметр штовхача клапана.

Примітка:
Зовнішній діаметр штовхача клапана: 34964 ~ 34980 мм.

2. Штангенциркулем виміряти внутрішній діаметр гнізда штовхача у головці блоку циліндрів.

Примітка:
Внутрішній діаметр гнізда штовхача: 35.000 ~ 35.025 мм.

3. Відняти значення зовнішнього діаметра штовхача від внутрішнього діаметра гнізда штовхача, щоб отримати значення зазору між штовхачем і гніздом.

Примітка:
Зазор між штовхачем клапана та гніздом:
Стандартний: 0.020 ~ 0.061 мм.
Гранично допустима: 0.070 мм.

Складання головки блоку циліндрів

Примітка:
- Ретельно почистити всі частини, що підлягають збиранню.
- Перед встановленням елементів нанести свіжу моторну олію на всі поверхні ковзання і деталі, що обертаються.
- Замінити всі олійні ковпачки новими.

1. Використовуючи спеціальну оправку (09222-3C100), напресувати новий маслознімний ковпачок.

головки блоку циліндрів KIA Sorento Prime з 2018 року, головки блоку циліндрів Кіа Кіа Соренто Прайм з 2018 року

Увага:
- Не використовувати повторно старий маслознімний ковпачок.
- Неправильне встановлення олійного ковпачка може призвести до витоків масла через напрямні втулки клапанів.

2. Встановити клапан, клапанну пружину та тарілку клапана.

Примітка:
Покласти клапанні пружини так, щоб сторона з емалевим покриттям була звернена вгору, після чого встановити тарілку клапана.

3. Використовуючи спеціальний пристрій (09222-3K000, 09222-3K100), стиснути пружину клапана та встановити сухарі. Перш ніж звільняти пружину, перевірити правильність встановлення сухарів, натискаючи на важіль пристрою два-три рази.

головки блоку циліндрів KIA Sorento Prime з 2018 року, головки блоку циліндрів Кіа Со Кіа Соренто Прайм з 2018 року

4. Обстукати торець штока кожного клапана два-три рази дерев'яним молотком, щоб забезпечити належне встановлення клапана та сухарів.

5. Нанести на поверхні штовхача клапана (А) моторне масло та встановити його в гніздо головки блоку циліндрів. Переконатись у тому, що штовхач вільно провертається вручну.

головки блоку циліндрів KIA Sorento Prime з 2018 року, головки блоку циліндрів Кіа Кіа Соренто Прайм з 2018 року

Примітка:
Товкачі клапанів повинні встановлюватись на свої місця. Однак у будь-якому випадку після встановлення головки блоку циліндрів на двигун необхідно перевірити та відрегулювати зазори в клапанах (див. відповідний розділ вище в цьому розділі).

6. Встановити клапан подачі масла на фазообертач впускного розподільчого валу (А).

головки блоку циліндрів KIA Sorento Prime з 2018 року, головки блоку циліндрів Кіа Соренто Прайм з 2018 року

Примітка:
Момент затягування: 9.8 ~ 11.8 Н·м.

  • Встановити клапан подачі оливи з роз'ємом сірого кольору на праву головку блоку циліндрів.
  • Встановити клапан подачі оливи з роз'ємом чорного кольору на ліву головку блоку циліндрів.
  • Не використовувати клапан подачі оливи після його падіння.
  • Утримувати клапан подачі оливи в чистоті.
  • Не братися за втулку клапана подачі оливи в процесі обслуговування.
  • При встановленому на двигуні клапані подачі оливи не переміщати двигун за скобу клапана подачі оливи.

Встановлення головок блока циліндрів

Ліва головка блоку циліндрів

Примітка:
- Головку блоку циліндрів слід затягувати лише новими болтами. Головка блоку циліндрів кріпиться болтами за межами плинності. Якщо такі болти вивернути і потім використовувати повторно, вони можуть лопнути або не підтримувати належне зусилля.
- Ретельно почистити всі частини, що підлягають збиранню.
- Завжди використовувати нові прокладки для головки блоку циліндрів та колектора.
- Прокладка головки блоку циліндрів металева. Дотримуватись обережності, щоб не зігнути її.
- Повертаючи колінчастий вал встановити поршень першого циліндра в положення верхньої мертвої точки (ВМТ).

1. Встановити головку блоку циліндрів:

  • Видалити масло та інші сторонні матеріали з поверхонь нанесення герметика на прокладці головки блоку циліндрів та на блоці циліндрів.
  • Нанести герметик (THREEBOND 1217H або еквівалентний) на верхню поверхню блоку циліндрів перед встановленням прокладки, як показано на малюнку.

головки блока циліндрів KIA Sorento Prime з 2018 року, головки блоку циліндрів Кіа Соренто Прайм з 2018 року

Примітка:
Діаметр валика герметика: 2.0 ~ 3.0 мм.
Розташування герметика: 1.0 ~ 1.5 мм від поверхні блоку.
Встановити компоненти протягом п'яти хвилин після нанесення герметика.

головки блока циліндрів KIA Sorento Prime з 2018 року, головки блоку циліндрів Кіа Соренто Прайм з 2018 року

  • Нанести герметик на прокладку головки блоку циліндрів після її встановлення на блок циліндрів, як показано на малюнку.

головки блоку циліндрів KIA Sorento Prime з 2018 року, головки блоку циліндрів Кіа Со Кіа Соренто Прайм з 2018 року

Примітка:
- Встановити компоненти протягом п'яти хвилин з моменту нанесення герметика.
- Слідкувати за правильністю встановлення прокладки головки блоку циліндрів.

головки блоку циліндрів KIA Sorento Prime з 2018 року, головки блоку циліндрів Кіа Со Кіа Соренто Прайм з 2018 року

  • Встановіть ліву головку блоку циліндрів.

головки блоку циліндрів KIA Sorento Prime з 2018 року, головки блоку циліндрів Кіа Соренто Прайм з 2018 року

Примітка:
Після встановлення головки блоку циліндрів видалити надлишки герметика.

2. Встановити болти головки блоку циліндрів:

  • Не наносити моторне масло на різьблення та під головки болтів головки блоку циліндрів.
  • Затягнути болти головки блоку циліндрів за кілька підходів моментом 37.3 ~ 41.2 Н в порядку, зазначеному на малюнку, а потім додатково дотягнути спочатку на кут 118 ~ 122°, а потім ще 88 ~ 92° за допомогою спеціального пристосування.

головки блоку циліндрів KIA Sorento Prime з 2018 року, головки блоку циліндрів Кіа Кіа Соренто Прайм з 2018 року

головки блоку циліндрів KIA Sorento Prime з 2018 року, головки блоку циліндрів Кіа Кіа Соренто Прайм з 2018 року

Примітка:
Момент затяжки: 37.3 ~ 41.2 Н · м + 118 ~ 122 ° + 88 ~ 92 °.

Увага:
- Обов'язково використовувати нові болти головки блоку циліндрів.
- Головка блоку циліндрів кріпиться болтами, що незворотно подовжуються при затягуванні за межі пружної деформації. Якщо такі болти вивернути і потім повторно використовувати, вони можуть луснути або не підтримувати належне затискне зусилля.

3. Встановити решту компонентів у порядку, зворотному зняттю.

Права головка блоку циліндрів

Примітка:
- Головку блоку циліндрів слід затягувати лише новими болтами. Головка блоку циліндрів кріпиться болтами за межами плинності. Якщо такі болти вивернути і потім використовувати повторно, вони можуть лопнути або не підтримувати належне зусилля.
- Ретельно почистити всі частини, що підлягають збиранню.
- Завжди використовувати нові прокладки для головки блоку циліндрів та колектора.
- Прокладка головки блоку циліндрів металева. Дотримуватись обережності, щоб не зігнути її.
- Повертаючи колінчастий вал встановити поршень першого циліндра в положення верхньої мертвої точки (ВМТ).

1. Встановити головку блоку циліндрів:

  • Видалити масло та інші сторонні матеріали з поверхонь нанесення герметика на прокладці головки блоку циліндрів та на блоці циліндрів.
  • Нанести герметик (THREEBOND 1217H або еквівалентний) на верхню поверхню блоку циліндрів перед встановленням прокладки, як показано на малюнку.

головки блоку циліндрів KIA Sorento Prime з 2018 року, головки блоку циліндрів Кіа Кіа Соренто Прайм з 2018 року

Примітка:
Діаметр валика герметика: 2.0 ~ 3.0 мм.
Розташування герметика: 1.0 ~ 1.5 мм від поверхні блоку.
Встановити компоненти протягом п'яти хвилин після нанесення герметика.

головки блоку циліндрів KIA Sorento Prime з 2018 року, головки блоку циліндрів Кіа Со Кіа Соренто Прайм з 2018 року

  • Нанести герметик на прокладку головки блоку циліндрів після її встановлення на блок циліндрів, як показано на малюнку.

головки блоку циліндрів KIA Sorento Prime з 2018 року, головки блоку циліндрів Кіа Со Кіа Соренто Прайм з 2018 року

Примітка:
- Встановити компоненти протягом п'яти хвилин з моменту нанесення герметика.
- Слідкувати за правильністю встановлення прокладки головки блоку циліндрів.

головки блоку циліндрів KIA Sorento Prime з 2018 року, головки блоку циліндрів Кіа Кіа Соренто Прайм з 2018 року

  • Встановити праву головку блоку циліндрів.

головки блоку циліндрів KIA Sorento Prime з 2018 року, головки блоку циліндрів Кіа Соренто Прайм з 2018 року

Примітка:
Після встановлення головки блоку циліндрів видалити надлишки герметика.

2. Встановити болти головки блоку циліндрів:

  • Не наносити моторне масло на різьблення та під головки болтів головки блоку циліндрів.
  • Затягнути болти головки блоку циліндрів за кілька підходів моментом 37.3 ~ 41.2 Н в порядку, зазначеному на малюнку, а потім додатково дотягнути спочатку на кут 118 ~ 122°, а потім ще 88 ~ 92° за допомогою спеціального пристосування.

головки блоку циліндрів KIA Sorento Prime з 2018 року, головки блоку циліндрів Кіа Со Кіа Соренто Прайм з 2018 року

головки блоку циліндрів KIA Sorento Prime з 2018 року, головки блоку циліндрів Кіа Со Кіа Соренто Прайм з 2018 року

Примітка:
Момент затяжки: 37.3 ~ 41.2 Н·м + 118 ~ 122° + 88 ~ 92°.

Увага:
- Обов'язково використовувати нові болти головки блоку циліндрів.
- Головка блоку циліндрів кріпиться болтами, що незворотно подовжуються при затягуванні за межі пружної деформації. Якщо такі болти вивернути і потім повторно використовувати, вони можуть луснути або не підтримувати належне затискне зусилля.

  • Затягнути задній болт правої головки блоку циліндрів (А) моментом 18.6 ~ 23.5Н·м.

головки блоку циліндрів KIA Sorento Prime з 2018 року, головки блоку циліндрів Кіа Кіа Соренто Прайм з 2018 року

3. Встановити решту компонентів у порядку, зворотному зняттю.

На цьому вебсайті використовуються файли cookie. Натискаючи ПРИЙНЯТИ або залишаючись на ньому, ви дозволяєте нам використовувати файли cookie. Докладніше
Прийняти